ہمیں ای میل کریں
خبریں

منی کھدائی کرنے والوں کی تعمیر اور دیکھ بھال

منی کھدائی کرنے والوں کی تعمیر اور دیکھ بھال


منی کھدائی کرنے والا تعمیراتی جدت اور ذہین بحالی: چھوٹے جسم بڑے منصوبے لے کر جاتے ہیں


1 Mini منی کھدائی کرنے والوں کی تعمیر کا تجزیہ: چار جہتی ٹکنالوجی 'خلائی جادوگر' کو نئی شکل دے رہی ہے

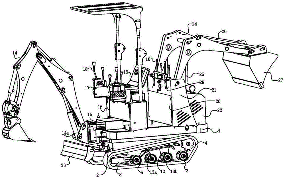
چیسیس اور واکنگ سسٹم:


ٹیلیس ٹرننگ ڈیزائن: سانی SY18U جیسے ماڈل "صفر ٹیل پھیلاؤ" کا ڈھانچہ اپناتے ہیں ، جس کی دم صرف 0.86 میٹر کی دم موڑنے والی رداس ہوتی ہے ، جس سے دیواروں سے ٹکرائے بغیر تنگ سرنگوں میں 360 ° مفت گردش کی اجازت ہوتی ہے۔ ایک ہی وقت میں ، ہمارا 0.8ton منی کھدائی کرنے والا بھی 1.1M کی موڑ کا رداس حاصل کرسکتا ہے ، جس سے تنگ جگہوں پر مفت اور لچکدار آپریشن کی اجازت مل سکتی ہے۔


سایڈست ٹریک فریم: ٹریک گیج کو آزادانہ طور پر ایڈجسٹ کیا جاسکتا ہے (جیسے SY16C 980-1350 ملی میٹر توسیع اور سنکچن کی حمایت کرتا ہے) ، جس سے 1 میٹر کی تنگ گلیوں کو عبور کرنا آسان ہوجاتا ہے۔ ربڑ کی ٹریک گراؤنڈنگ پریشر 25KPA سے کم ہے ، جو ہموار زمین کی حفاظت کرتا ہے۔


خود چکنا کرنے والی بیرنگ: یامار چیسیس روایتی بال بیرنگ کی بجائے ایگلڈور جی سیریز پلاسٹک بیرنگ کا استعمال کرتی ہے ، جو اینٹی فاؤلنگ ، اینٹی زنگ اور بحالی سے پاک ہیں ، جس سے خدمت کی زندگی میں تین بار اضافہ ہوتا ہے۔




پاور اور ہائیڈرولک نظام:


ڈوئل موڈ پاور انقلاب: چھوٹا کھدائی کرنے والا کوبوٹا KX019 کو اپناتا ہے ، جو ڈیزل/الیکٹرک ون کلک سوئچنگ کی حمایت کرتا ہے ، ایک 20 کلو واٹ کا بیٹری پیک 8 گھنٹے کی حد فراہم کرتا ہے ، اور انڈور آپریشن کا شور 66 ڈیسیبل سے کم ہے۔


انٹیلیجنٹ ہائیڈرولک کنٹرول: لوڈ حساس ٹیکنالوجی (جیسے شینگنگ ایس کے 35 ایس آر -6 -6) ± 1.8 ٪ ، 0.7 سیکنڈ کی جامع کارروائی کے ردعمل کی رفتار ، اور 22 ٪ کی توانائی کی کھپت میں کمی کی بہاؤ کی تقسیم کی درستگی حاصل کرتی ہے۔




کام کرنے والے سازوسامان میں اضافہ:


مزاحمتی ڈھانچہ پہنیں: کمپیکٹ کھدائی کرنے والے کے بوم کے واضح مشترکہ کاربرائزنگ گرمی کے علاج (سختی HRC55+) سے گزر چکے ہیں ، اور بالٹی کو ہارڈوکس 500 لباس مزاحم پلیٹ (سختی HB500) کے ساتھ ویلڈڈ کیا گیا ہے ، جس سے اس کی خدمت کی زندگی کو 30 فیصد تک بڑھایا گیا ہے۔


سائیڈ موونگ آرم پیٹنٹ: کوبوٹا انڈر 15-3 ایس نے 350 ملی میٹر کے 595 ملی میٹر/دائیں انحراف کے بائیں انحراف کو حاصل کیا ، اور دیوار سے لگے کھدائی میں جسم کو منتقل کرنے کی ضرورت نہیں ہے۔


روٹری ڈیوائس ، 360 ° آل راؤنڈ آپریشن ، مختلف کام کرنے والے ماحول کو اپنانے کے لچکدار۔


انسانی کمپیوٹر تعامل کو اپ گریڈ


مزاحم ٹیکسی پر رول: آر او پی ایس/ایف او پیز کے ذریعہ تصدیق شدہ (16 ٹن جامد دباؤ کے خلاف مزاحم) ، تیرتی نشستوں ، ایل سی ڈی ٹچ اسکرین ، اور اے آئی کے آس پاس کے نظارے کی نگرانی سے لیس ، اندھے مقامات کو 40 ٪ کم کیا۔


2 、 بحالی اور روزانہ کی بحالی:

روزانہ کی دیکھ بھال کا سنہری اصول


ہائیڈرولک آئل مینجمنٹ: موسم گرما میں اینٹی ویئر ہائیڈرولک آئل نمبر 68 اور موسم سرما میں کم واسکاسیٹی آئل نمبر 32 استعمال کریں۔ پمپ اور والو پہننے سے بچنے کے لئے باقاعدگی سے این اے ایس (≤ سطح 8) کی صفائی کی جانچ کریں۔


مکھن بھرنے کا چکر: روٹری بیئرنگ کے لئے ہر 10 دن میں چکنائی لگائیں ، اور پن شافٹ پھنس جانے سے بچنے کے ل working کام کرنے والے آلے کے قبضہ نقطہ کے لئے ہر 4-8 گھنٹے میں ہائی پریشر چکنائی لگائیں۔




کلیدی جزو کی زندگی میں توسیع کی تکنیک:


ٹریک سسٹم: بہت ڈھیلے (چھلانگ دانت) یا بہت سخت (پہننے میں تیزی لانے) سے بچنے کے ل the تناؤ کو ایڈجسٹ کریں۔ معاون پہیے کی سگ ماہی کی ناکامی کو روکنے کے لئے باقاعدگی سے بجری کو صاف کریں۔


"لوہے کے مثلث پہنیں" کی بحالی:

دراڑوں/500h کے لئے جوتا کے معائنے کو ٹریک کریں

ڈرائیو اسپرکیٹ دانت گراؤنڈ فلیٹ ہیں اور فوری طور پر تبدیل کردیئے جاتے ہیں

غیر فعال پہیے مہر کے تیل کے رساو کی مرمت کی ضرورت ہے

اسٹورز بلی کے اعدادوشمار کے مطابق ، چیسیس کی 80 ٪ ناکامی ان تین قسم کے اجزاء کی وجہ سے ہوتی ہے۔


انتہائی کام کے حالات سے نمٹنے کے لئے رہنما خطوط:


اونچائی کا آپریشن: منی کھدائی کرنے والے کے ٹربو چارجڈ انجن کا بجلی کا معاوضہ 15 ٪ ہے ، اور ہائیڈرولک سسٹم بہاؤ کے نقصان کو روکنے کے لئے دباؤ معاوضہ والو سے لیس ہے۔

واٹر ویڈنگ آپریشن: اطالوی سیلاب سے بچاؤ میں ، جدید HX35AZ نے مہر بند سرکٹ ماڈیول کے ذریعے 0.8 میٹر کی گہرائی حاصل کی۔


طویل مدتی اسٹوریج کے معیارات:


ایک خشک کمرے میں پارک کریں ، گراؤنڈنگ پریشر کو کم کرنے کے لئے پٹریوں کی حمایت کریں۔

گاڑھاو کو روکنے کے لئے ایندھن کے ٹینک کو بھریں ، مہر عمر کو روکنے کے لئے تمام ہائیڈرولک سلنڈروں کو واپس لے لیں۔

سرکٹ بورڈ کو نم ہونے سے روکنے کے لئے ہر 3 ماہ میں ایک بار شروع کریں۔


3 、 تکنیکی فرنٹیئر: صنعتی ماحولیات کی بجلی اور ذہین تنظیم نو

پاور انقلاب:


ماڈیولر بیٹری: ہٹاچی ZX55U-6EB تجارتی طاقت اور بیٹری کی ڈوئل ڈرائیو کی حمایت کرتا ہے ، جس میں 6 گھنٹے میں 10 گھنٹے کے آپریشن کو پورا کرنے کے لئے 2 گھنٹے کی تیز رفتار چارج ہوتی ہے۔


ہائیڈروجن انرجی ٹیسٹ: ایچ ڈی ہنڈئ نے صفر کاربن کی تعمیر کے حصول کے لئے ایک ہائیڈروجن فیول انجن (HX12) تیار کیا ہے۔


پیش گوئی کی بحالی:


IOT ریموٹ تشخیص: SANE SY35U HI میٹ سسٹم سے لیس ہے ، جو حقیقی وقت میں تیل کے درجہ حرارت اور کمپن ڈیٹا کا تجزیہ کرتا ہے ، جس میں غلطی کی انتباہی درستگی کی شرح 92 ٪ ہے۔


اے آر مینٹیننس امداد: کائیس مائیکرو کھدائی کرنے والا چھوٹے کھدائی کرنے والوں کے لئے وی آر آپریشن کی تربیت فراہم کرتا ہے ، 30 غلطی کے منظرناموں کی نقالی کرتا ہے اور بحالی کی کارکردگی کو 40 ٪ تک بہتر بناتا ہے۔


4 、 عملی گواہ: قدیم گھر کی بحالی سے کان کنی سے نمٹنے تک

تائیزو میں منگ اور کنگ راجکماری اسکالر کی رہائش گاہ کی بحالی: کوبوٹا انڈر 15۔3 ایس چھوٹے کھدائی کرنے والے نے 0.85 میٹر محراب کے ذریعے زیرزمین پائپ خندق کی کھدائی مکمل کی ، اور بوم کی پس منظر کی تحریک نے قدیم دیوار کو 95 ٪ برقرار رکھنے کی شرح سے بچایا۔


چلی کے تانبے کی کان میں زیر زمین آپریشنز: ایک کمپیکٹ کھدائی کرنے والا ایک ترمیم شدہ پربلت ٹیکسی کے ساتھ بغیر کسی خرابی کے 300 گھنٹوں تک مستقل طور پر چلتا ہے ، جس کے نتیجے میں لوڈنگ کے اخراجات میں 23 فیصد کمی واقع ہوتی ہے۔


ٹوکیو نائٹ ٹائم میونسپل کنسٹرکشن: سانی SY19E منی کھدائی کرنے والا خالص برقی ورژن 66 ڈیسیبل پر خاموشی سے کام کرتا ہے ، جس سے شہر کی "تعمیراتی وقت کی کھڑکی" کا مسئلہ حل ہوتا ہے۔


نتیجہ: ایک چھوٹا سا جسم ایک بڑا مستقبل لے کر جاتا ہے

0.8 ٹن کے الٹرا پتلی ماڈل سے لے کر 4 ٹن ہیوی ڈیوٹی واریر تک ، چھوٹے کھدائی کرنے والوں میں صحت سے متعلق تعمیرات ، متنوع توانائی کے ذرائع ، اور ذہین دیکھ بھال کا ایک ٹرپل ارتقاء گزر رہا ہے ، جس سے عالمی تعمیراتی تمثیل کو تبدیل کیا گیا ہے۔ سالانہ فروخت ہندوستانی مارکیٹ میں 3100 یونٹ سے زیادہ ہے اور 2025 تک الیکٹرک موٹرز کے لئے 40 ٪ کی تخمینہ لگانے کی شرح ، "چھوٹے کو حاصل کرنے کے لئے چھوٹے استعمال" کے اس تکنیکی انقلاب کا تھرن ڈالر کی مارکیٹ میں سنہری مواقع کو ننگا کرنا ہے۔


صنعت کی بحالی کا تجربہ:

کمپیکٹ کھدائی کرنے والوں کے لئے ، صحت سے متعلق ڈیزائن ریڑھ کی ہڈی ہے ، جبکہ ذہین دیکھ بھال لائف بلڈ ہے ، جس سے بحالی کے اخراجات 1 یوآن کی بچت ہوتی ہے اور مرمت کے اخراجات کو 10 یوآن تک کم کیا جاتا ہے۔



متعلقہ خبریں۔
مجھے ایک پیغام چھوڑ دو
ٹیلی فون
+86-18153282520
موبائل
پتہ
چانگجیانگ ویسٹ روڈ ، ہوانگڈاؤ ضلع ، چنگ ڈاؤ سٹی ، شینڈونگ صوبہ ، چین
X
ہم آپ کو براؤزنگ کا بہتر تجربہ پیش کرنے ، سائٹ ٹریفک کا تجزیہ کرنے اور مواد کو ذاتی نوعیت دینے کے لئے کوکیز کا استعمال کرتے ہیں۔ اس سائٹ کا استعمال کرکے ، آپ کوکیز کے ہمارے استعمال سے اتفاق کرتے ہیں۔ رازداری کی پالیسی
مسترد قبول کریں